3D Model
New Winery in Mernda
We provided a full set of erection and shop drawings for a new winery in Mernda. This was one of our favourite jobs this year as it was challenging, but rewarding once we saw the finished structure. A big team effort went into getting the drawings perfect so that fabrication and install went smoothly.
Scope of Works
- IFC Model
- Marking Plans, elevations and isometric
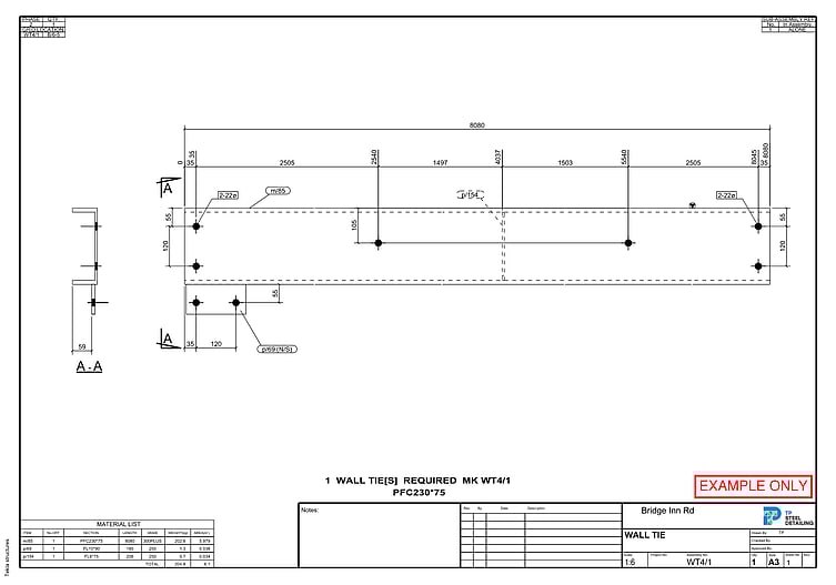
- Assembly (Fabrication) Drawings
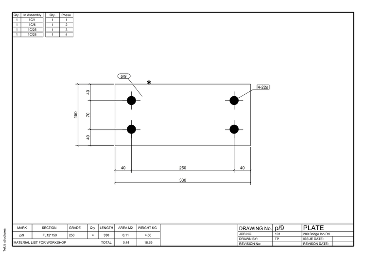
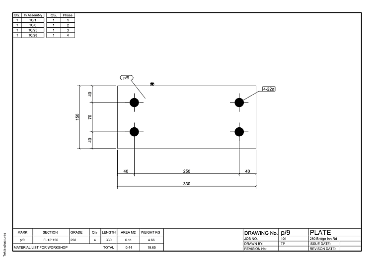
- Single Part Drawings (Shafts and Plates)
- Bolt List
- Material Lists (for ordering)
- Site Measure














